10.自分で拡張するための情報
コネクタ
TE0720

- 2×100ピンと1×60ピンの高速雌雄同体コネクタ
- LSHM-150-04.0-L-DV-A-S-K-TR (100ピン) ×2
- LSHM-130-04.0-L-DV-A-S-K-TR (60ピン)×1
TE0703拡張ベースボード
- 2×100ピンと1×60ピンの高速雌雄同体コネクタ
LSHM-150-04.0-L-DV-A-S-K-TR (100ピン) ×2
LSHM-130-04.0-L-DV-A-S-K-TR (60ピン)×1 - 2.54mm ピッチ2×96ピンコネクタ
- USB A メスコネクタ
- USB mini-B メスコネクタ
- RJ45 GbE コネクタ
- microSDカードコネクタ
- 2.1mm標準DCジャック(5Vセンタープラス)
TE0720を使用する際の注意点
TE0720に実装されているコネクタは小さく、ピン数も多いためはんだ付けが困難です。ユニバーサル基板等と使用される場合は2.54mmピッチ2×96ピンコネクタに変換をすることができるTE0703拡張ベースボードを使用することをおすすめします。
電源
TE0720
| 入力 | 電圧 | コネクタ電流規格 |
| Vin | 3.3V~5.5V | 最大8A |
| Vin3.3V | 3.3V | 最大2A |
TE0703
2.1mm標準DCジャック センタープラス 5V
J7端子(VBAT)に3.3Vバッテリーを接続可能
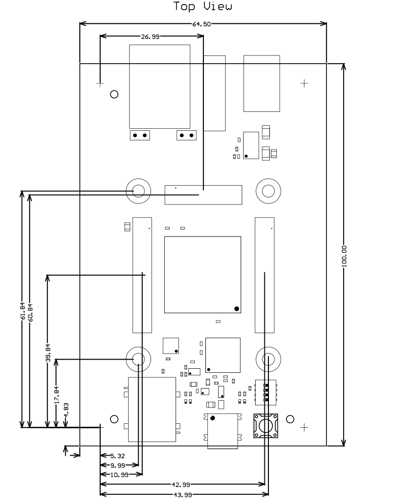
寸法
TE0720
50mm × 40mm
TE0703
100mm × 64.5mm
ピン配置
TE0703ベースボードに、TE0720 FPGAボードを搭載した時のピン配置


[アルファベット][数字]のピンはZynqのPLに接続されています。
[数字]のみのピンはCarrier Controller CPLDに接続されています。
参考回路図の3ページ目に実際の回路図があります。








