ビルドとエラー対策
プロジェクトを作成したら、Platform がzsys_nosciになっているか、ハードウェア関数が登録されているかどうかを確認します。
ビルドボタンを押して、ビルドを開始します。

20~30分程度でビルドが完了します。
ビルドが完了すると、D:\sdsoc\platform\testapp\Debug\sd_card にBOOT.BINが出来上がっています。
これをZynqberryのROMに書き込めば、SDSoCが入ったデザインで動作します。
また、D:\sdsoc\platform\testapp\Debug\_sds\p0\_vpl\ipi\syn フォルダにはsyn.xprというVivadoのプロジェクトファイルが存在しています。
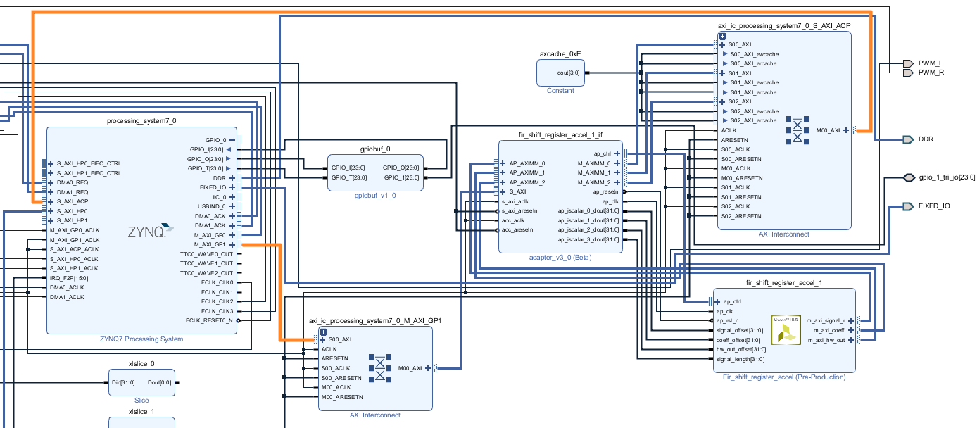
このデザインファイルを開くと、SDSoCによってどのような回路が追加されたかを見ることができます。
SDSoCによる回路を拡大すると、このようになっています。
AXI GP1によって制御され、AXI ACPポートによってデータが転送されることがわかります。
Address Editorで見てみると、fir_shift_register関係のアドレスが追加されている(0x83c00000)ことがわかります。







